उत्पादों
होम > उत्पाद
उत्पादों
जीजीजे लो वोल्टेज कॉम्बिनेशन स्विचगियर
  • जीजीजे लो वोल्टेज कॉम्बिनेशन स्विचगियरजीजीजे लो वोल्टेज कॉम्बिनेशन स्विचगियर

जीजीजे लो वोल्टेज कॉम्बिनेशन स्विचगियर

चीन में एक पेशेवर निर्माता, वेलकम (वानजाउ) इलेक्ट्रिक कंपनी लिमिटेड द्वारा विकसित जीजीजे लो वोल्टेज कॉम्बिनेशन स्विचगियर, प्रतिक्रियाशील शक्ति को बुद्धिमानी से ट्रैक करने और क्षतिपूर्ति करने के लिए कंप्यूटर-एडेड डिज़ाइन और एकीकृत माइक्रो कंप्यूटर नियंत्रण तकनीक पेश करता है। एक तर्कसंगत संरचना और परिपक्व प्रौद्योगिकी का दावा करते हुए, इसे कम-वोल्टेज पावर ग्रिड में व्यापक रूप से लागू किया जाता है।

चीन में एक पेशेवर निर्माता के रूप में, कॉमविल फैक्ट्री आपको गुणवत्तापूर्ण जीजीजे लो वोल्टेज कॉम्बिनेशन स्विचगियर प्रदान करना चाहती है, जो प्रभावी रूप से पावर फैक्टर को बढ़ाता है, प्रतिक्रियाशील बिजली हानि को कम करता है और बिजली आपूर्ति की गुणवत्ता को बढ़ाता है। एक बुद्धिमान नियंत्रक द्वारा नियंत्रित, यह स्वचालित मुआवजे के साथ पूर्ण कार्यक्षमता और विश्वसनीय प्रदर्शन प्रदान करता है, जो पावर फैक्टर को 0.9 से ऊपर बढ़ाने में सक्षम है।

जीजीजे लो वोल्टेज कॉम्बिनेशन स्विचगियर ग्रिड पावर फैक्टर का वास्तविक समय प्रदर्शन प्रदान करता है, जो लैगिंग (0.00-0.99) और लीडिंग (0.00-0.99) दोनों रेंज को कवर करता है। यह ओवरवॉल्टेज, अत्यधिक हार्मोनिक्स, ओवरकंपेंसेशन, सिस्टम दोष, चरण हानि, अधिभार और बहुत कुछ के खिलाफ व्यापक सुरक्षा कार्यों से सुसज्जित है। यह बिजली कटौती के दौरान भी निर्धारित मापदंडों को बरकरार रखता है, ग्रिड स्थिर होने पर स्वचालित रूप से संचालन फिर से शुरू कर देता है - साइट पर किसी कर्मचारी की आवश्यकता नहीं होती है।

ग्रिड लोड संतुलन के आधार पर, जीजीजे लो वोल्टेज कॉम्बिनेशन स्विचगियर चरण-दर-चरण क्षतिपूर्ति या मिश्रित क्षतिपूर्ति मोड का समर्थन करता है। मजबूत हस्तक्षेप-विरोधी क्षमता के साथ, यह राष्ट्रीय उद्योग मानकों से अधिक, ग्रिड से सीधे 2000V आयाम हस्तक्षेप दालों का सामना करता है। हर घंटे, डिवाइस तीन चरण वोल्टेज, वर्तमान, आवृत्ति, सक्रिय शक्ति, प्रतिक्रियाशील शक्ति, पावर फैक्टर, सक्रिय ऊर्जा, ट्रांसफार्मर के कम-वोल्टेज पक्ष पर प्रतिक्रियाशील ऊर्जा, साथ ही कुल वोल्टेज/वर्तमान विरूपण दर और 2 से 25 वीं हार्मोनिक सामग्री को मापता है और रिकॉर्ड करता है। आरएस-232 और आरएस-485 इंटरफेस से सुसज्जित, यह हैंडहेल्ड कंप्यूटर के माध्यम से डेटा ट्रांसक्रिप्शन को सक्षम बनाता है।

दूरस्थ संचार के माध्यम से, यह वायरलेस मीटर रीडिंग, डिवाइस परीक्षण, पैरामीटर कॉन्फ़िगरेशन और वास्तविक समय और रिकॉर्ड किए गए डेटा तक पहुंच प्राप्त करता है। इसका अंतर्निहित डेटा विश्लेषण फ़ंक्शन परिचालन लोड डेटा के प्रसंस्करण, सांख्यिकी और क्वेरी का समर्थन करता है। यह वोल्टेज योग्यता दर, लोड दर, विश्वसनीयता दर और अधिकतम लोड दर की गणना करके बिजली आपूर्ति की गुणवत्ता का व्यापक मूल्यांकन करता है। उपयोगकर्ता अलग-अलग समय अवधि के लिए पावर फैक्टर, सक्रिय पावर और प्रतिक्रियाशील पावर की जांच कर सकते हैं, चरण वोल्टेज, वर्तमान, पावर फैक्टर इत्यादि के लिए वक्र उत्पन्न कर सकते हैं, और व्यापक विश्लेषण और सांख्यिकीय रिपोर्ट प्रिंट कर सकते हैं।

मानकों को लागू करें

IEC439:《लो-वोल्टेज स्विचगियर और नियंत्रण उपकरण》
GB7251:《लो-वोल्टेज स्विचगियर》

विवरण टाइप करें

सामान्य सेवा स्थिति

1.परिवेशीय हवा का तापमान +40℃ से ऊपर या -5℃ से नीचे नहीं जाना चाहिए, और 24 घंटे का औसत तापमान +35℃ से अधिक नहीं होना चाहिए। यदि ये तापमान सीमाएं पार हो जाती हैं, तो आपको वास्तविक स्थितियों के आधार पर डिवाइस की संचालन क्षमता को कम करने की आवश्यकता होगी।
2. यह जीजीजे लो वोल्टेज कॉम्बिनेशन स्विचगियर केवल इनडोर उपयोग के लिए डिज़ाइन किया गया है, और इंस्टॉलेशन साइट की ऊंचाई 2000 मीटर से अधिक नहीं होनी चाहिए।
3.जब अधिकतम तापमान +40℃ तक पहुंच जाए, तो परिवेशी वायु की सापेक्षिक आर्द्रता 50% से कम रहनी चाहिए। कम तापमान पर, उच्च आर्द्रता स्वीकार्य है - उदाहरण के लिए, +20℃ पर 90%। आपको कभी-कभी तापमान में उतार-चढ़ाव के कारण बनने वाले संघनन का भी ध्यान रखना चाहिए।
4. इंस्टालेशन के दौरान, ऊर्ध्वाधर तल से डिवाइस का झुकाव 5° से अधिक नहीं हो सकता है, और कैबिनेट की पूरी पंक्ति अपेक्षाकृत समतल होनी चाहिए। डिवाइस को गंभीर कंपन और प्रभाव से मुक्त स्थान पर स्थापित करना महत्वपूर्ण है, जहां विद्युत घटक अत्यधिक जंग के संपर्क में नहीं आएंगे।

कैबिनेट की चौड़ाई (ए) कैबिनेट की गहराई (बी) माउंटिंग होल स्पेसिंग (ए) माउंटिंग होल स्पेसिंग (बी)
800 500 685 385
600 800 485 685
600 1000 485 885
800 800 685 685
800 1000 685 885
1000 800 885 685
1000 1000 885 885
वस्तु पैरामीटर
रेटेड इंसुलेशन वोल्टेज (वी) 660
रेटेड ऑपरेटिंग वोल्टेज (वी) 380/660
सहायक सर्किट रेटेड वोल्टेज (वी) ए.सी 220/380
डीसी 110/220
परिचालन आवृत्ति (हर्ट्ज) 50- 60
रेटेड वर्तमान(ए) क्षैतिज बस-बार <3150
लंबवत बस-बार 630/800
रेटेड कम समय में करंट झेलने वाला मध्य रेखा (kA/1 s) 50
बस-बार (kA/1 s) 30
रेटेड पीक करंट (kA/0.1 s) 105/50
कार्यात्मक इकाई तोड़ने की क्षमता (केए) 50 (प्रभावी मूल्य)
कैबिनेट सुरक्षा डिग्री आईपी40
बस-बार तीन चरण चार तार प्रणाली, तीन चरण पांच तार प्रणाली
संचालन विधा ऑन-साइट, दूरी और स्वचालित

ताकत

1. खरीद संबंधी विचारों के लिए: वेलकम (वानजाउ) इलेक्ट्रिक कंपनी लिमिटेड का जीजीजे लो वोल्टेज कॉम्बिनेशन स्विचगियर कैबिनेट के ऊपर और नीचे दोनों तरफ कई वेंटिलेशन स्लॉट के साथ आता है। यह डिज़ाइन सीलबंद कैबिनेट के अंदर एक प्राकृतिक नीचे से ऊपर तक वायु प्रवाह बनाता है, जो विश्वसनीय संचालन के लिए गर्मी अपव्यय चुनौतियों को प्रभावी ढंग से संबोधित करता है।
2. स्विचगियर का उपकरण दरवाजा - विद्युत घटकों से सुसज्जित - और आंतरिक बढ़ते हिस्से एक पूर्ण ग्राउंडिंग सुरक्षा सर्किट बनाते हैं, जो हर समय लगातार ग्राउंडिंग निरंतरता सुनिश्चित करते हैं।
3. हम मुख्य बसबारों को कैबिनेट के ऊपरी हिस्से में रखते हैं, जो उच्च शक्ति वाले असंतृप्त पॉलिएस्टर डीएमसी/एसएमसी सामग्रियों से तैयार किए गए एएमजे-प्रकार के बसबार क्लैंप के साथ जोड़े जाते हैं। ये क्लैंप असाधारण यांत्रिक शक्ति और इन्सुलेशन प्रदर्शन प्रदान करते हैं, जबकि हटाने योग्य कैबिनेट शीर्ष कवर मुख्य बसबारों की ऑन-साइट असेंबली और समायोजन को सरल बनाता है।
4. कैबिनेट में मजबूत आसंजन के लिए इलेक्ट्रोस्टैटिक पाउडर कोटिंग की सुविधा है, और सभी आंतरिक घटक गैल्वनीकरण और निष्क्रियता उपचार से गुजरते हैं। यह स्विचगियर की "तीन-प्रूफ" क्षमताओं को बढ़ाता है: नमी प्रतिरोध, धूल प्रतिरोध, और संक्षारण प्रतिरोध, विभिन्न वातावरणों में इसकी सेवा जीवन का विस्तार करता है।
5. विभिन्न परियोजना आवश्यकताओं को पूरा करने के लिए, जीजीजे लो वोल्टेज कॉम्बिनेशन स्विचगियर कई केबल एंट्री विकल्पों का समर्थन करता है - टॉप एंट्री, बॉटम एंट्री और रियर एंट्री - खरीद परियोजनाओं के लिए लचीली स्थापना की पेशकश करता है।

आदेश देने के निर्देश

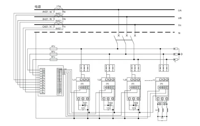
◇ मुख्य सर्किट आरेख;
◇ मुआवज़ा क्षमता और मुआवज़ा विधि;
◇ यदि यह उत्पाद की सामान्य परिचालन स्थितियों के अनुरूप नहीं है, तो इसे पहले से निर्दिष्ट किया जाना चाहिए।


हॉट टैग: जीजीजे लो वोल्टेज कॉम्बिनेशन स्विचगियर, चीन, निर्माता, आपूर्तिकर्ता, फैक्टरी, थोक, अनुकूलित, स्टॉक में, चीन में निर्मित, कम कीमत, गुणवत्ता
जांच भेजें
संपर्क सूचना
  • पता

    No.777 वानवेंग रोड, वेंगयांग उप-जिला, यूकिंग शहर, वानजाउ शहर, झेजियांग प्रांत, चीन

  • टेलीफोन

    +86-15224149953

  • ईमेल

    hannah@comewill.com

स्विचगियर, वैक्यूम सर्किट ब्रेकर, करंट ट्रांसफार्मर के लिए कॉमविल को जांच भेजें। हमारी चीन फ़ैक्टरी टीम से अनुकूलित उद्धरण, कम कीमत या विशेषज्ञ सहायता प्राप्त करें।
X
हम आपको बेहतर ब्राउज़िंग अनुभव प्रदान करने, साइट ट्रैफ़िक का विश्लेषण करने और सामग्री को वैयक्तिकृत करने के लिए कुकीज़ का उपयोग करते हैं। इस साइट का उपयोग करके, आप कुकीज़ के हमारे उपयोग से सहमत हैं। गोपनीयता नीति
अस्वीकार करना स्वीकार करना