उत्पादों
होम > उत्पाद
उत्पादों
JDZX9-35D/290 वोल्टेज ट्रांसफार्मर
  • JDZX9-35D/290 वोल्टेज ट्रांसफार्मरJDZX9-35D/290 वोल्टेज ट्रांसफार्मर
  • JDZX9-35D/290 वोल्टेज ट्रांसफार्मरJDZX9-35D/290 वोल्टेज ट्रांसफार्मर
  • JDZX9-35D/290 वोल्टेज ट्रांसफार्मरJDZX9-35D/290 वोल्टेज ट्रांसफार्मर

JDZX9-35D/290 वोल्टेज ट्रांसफार्मर

चीन में एक पेशेवर वोल्टेज ट्रांसफार्मर निर्माता, कमविल, गर्व से JDZX9-35D/290 वोल्टेज ट्रांसफार्मर प्रस्तुत करता है, जिसे 35kV पावर सिस्टम में स्थिर और सटीक प्रदर्शन के लिए इंजीनियर किया गया है।

एपॉक्सी रेजिन कास्टिंग इन्सुलेशन और पूरी तरह से संलग्न बाहरी संरचना के साथ डिज़ाइन किया गया, कॉमविल फैक्ट्री की गुणवत्ता JDZX9-35D/290 वोल्टेज ट्रांसफार्मर उच्च परिशुद्धता, मजबूत स्थायित्व और दीर्घकालिक विश्वसनीयता सुनिश्चित करता है। इसका व्यापक रूप से ऊर्जा मीटरिंग, वोल्टेज मॉनिटरिंग और रिले सुरक्षा में उपयोग किया जाता है, जो इसे आधुनिक पावर ग्रिड और औद्योगिक अनुप्रयोगों के लिए एक आदर्श समाधान बनाता है।

पदनाम टाइप करें

वेलकम (वानजाउ) इलेक्ट्रिक कंपनी लिमिटेड के JDZX9-35 वोल्टेज ट्रांसफार्मर, मॉडल में प्रमुख संरचनात्मक और उपयोग की जानकारी शामिल है, जिसे आसानी से अलग किया और समझा जा सकता है:

मॉडल JDZX9-35 प्रमुख संरचनात्मक और कार्यात्मक विशेषताओं का प्रतिनिधित्व करता है:

जे - वोल्टेज ट्रांसफार्मर
डी - एकल-चरण संरचना
जेड - एपॉक्सी राल कास्ट इन्सुलेशन
एक्स - अवशिष्ट वोल्टेज वाइंडिंग के साथ (ग्राउंडिंग सुरक्षा के लिए)
9 - डिज़ाइन अनुक्रम संख्या
35 - रेटेड वोल्टेज: 35kV

यह मॉडल नामकरण सीधे JDZX9-35D/290 वोल्टेज ट्रांसफार्मर की मुख्य विशेषताओं पर प्रकाश डालता है: विशेष रूप से मध्यम वोल्टेज बिजली प्रणालियों के लिए डिज़ाइन किया गया है, यह कास्ट राल इन्सुलेशन, एकल-चरण संरचना को अपनाता है, और अवशिष्ट वोल्टेज वाइंडिंग से भी सुसज्जित किया जा सकता है, जो 35kV सिस्टम की उपयोग आवश्यकताओं से पूरी तरह मेल खाता है।

सेवा शर्तें

स्थिर दीर्घकालिक संचालन सुनिश्चित करने के लिए, JDZX9-35D/290 वोल्टेज ट्रांसफार्मर का उपयोग निम्नलिखित शर्तों के तहत किया जाना चाहिए:
स्थापना: केवल बाहरी उपयोग
परिवेश का तापमान:
अधिकतम: +40°C
न्यूनतम: -25°C
दैनिक औसत ≤ 30°C
ऊंचाई: ≤ 1000 मीटर (अधिक ऊंचाई के लिए कस्टम डिज़ाइन आवश्यक)
प्रदूषण स्तर: चतुर्थ श्रेणी के वातावरण के लिए उपयुक्त
वातावरण: गंभीर धूल या संक्षारक गैसों से मुक्त

तकनीकी डाटा

प्रकार रेटेड वोल्टेज अनुपात (वी) सटीकता वर्ग संयोजन रेटेड आउटपुट (वीए) अधिकतम आउटपुट (वीए) रेटेड इन्सुलेशन लेवल (केवी)
JDZX9-35 35000/√3/100/√3/100/3 0.2/6पी 30/100 600 40.5/95/200
0.5/6पी 50/100
JDZXF9-35 35000/√3/100/√3/100/√3/100/3 0.2/0.2/6पी 20/20/100 2×300
0.2/0.5/6पी 25/30/100
0.5/0.5/6पी 30/30/100

अनुकूलन एवं उपयोग दिशानिर्देश

एक अनुभवी चीन वोल्टेज ट्रांसफार्मर आपूर्तिकर्ता के रूप में, कॉमविल लचीली अनुकूलन सेवाएँ प्रदान करता है:
कस्टम वोल्टेज अनुपात और सटीकता वर्ग उपलब्ध है
विशिष्ट परियोजना आवश्यकताओं के लिए अनुकूलित समाधान
गैर-मानक डिज़ाइनों के लिए समर्थन
उपयोग नोट:
सटीक माप के लिए एक समय में केवल एक वोल्टेज अनुपात का उपयोग करें
एक साथ बहु-अनुपात संचालन से बचें
सर्वोत्तम प्रदर्शन सुनिश्चित करने के लिए ऑर्डर करते समय विस्तृत पैरामीटर प्रदान करें

अनुप्रयोग परिदृश्य

JDZX9-35D/290 वोल्टेज ट्रांसफार्मर का व्यापक रूप से उपयोग किया जाता है:
पावर ग्रिड सिस्टम
उपकेंद्रों
औद्योगिक विद्युत वितरण
ऊर्जा मीटरिंग प्रणाली
रिले सुरक्षा अनुप्रयोग

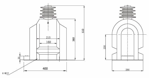
स्थापना की रूपरेखा और आयाम

DZX9-35KV वोल्टेज ट्रांसफार्मर के लिए वायरिंग सिद्धांत

आदेश की जानकारी

यह सुनिश्चित करने के लिए कि ट्रांसफार्मर आपकी सिस्टम आवश्यकताओं से पूरी तरह मेल खाता है, कृपया निर्दिष्ट करें:

वोल्टेज अनुपात
सटीकता वर्ग
निर्धारित उत्पादन
विशेष आवश्यकताएँ (यदि कोई हो)

अनुकूलित समाधानों के लिए, कॉमविल की तकनीकी टीम आपके बिजली सिस्टम में विश्वसनीय और कुशल संचालन सुनिश्चित करते हुए डिजाइन से लेकर डिलीवरी तक पेशेवर सहायता प्रदान करने के लिए तैयार है। हमसे संपर्क करने और अभी कोटेशन प्राप्त करने के लिए आपका स्वागत है!

हॉट टैग: JDZX9-35D/290 वोल्टेज ट्रांसफार्मर, चीन, निर्माता, आपूर्तिकर्ता, फैक्टरी, थोक, अनुकूलित, स्टॉक में, चीन में निर्मित, कम कीमत, गुणवत्ता
जांच भेजें
संपर्क सूचना
  • पता

    No.777 वानवेंग रोड, वेंगयांग उप-जिला, यूकिंग शहर, वानजाउ शहर, झेजियांग प्रांत, चीन

  • टेलीफोन

    +86-15224149953

  • ईमेल

    hannah@comewill.com

स्विचगियर, वैक्यूम सर्किट ब्रेकर, करंट ट्रांसफार्मर के लिए कॉमविल को जांच भेजें। हमारी चीन फ़ैक्टरी टीम से अनुकूलित उद्धरण, कम कीमत या विशेषज्ञ सहायता प्राप्त करें।
X
हम आपको बेहतर ब्राउज़िंग अनुभव प्रदान करने, साइट ट्रैफ़िक का विश्लेषण करने और सामग्री को वैयक्तिकृत करने के लिए कुकीज़ का उपयोग करते हैं। इस साइट का उपयोग करके, आप कुकीज़ के हमारे उपयोग से सहमत हैं। गोपनीयता नीति
अस्वीकार करना स्वीकार करना