उत्पादों
होम > उत्पाद
उत्पादों
LMZW9-0.66 वर्तमान ट्रांसफार्मर
  • LMZW9-0.66 वर्तमान ट्रांसफार्मरLMZW9-0.66 वर्तमान ट्रांसफार्मर
  • LMZW9-0.66 वर्तमान ट्रांसफार्मरLMZW9-0.66 वर्तमान ट्रांसफार्मर

LMZW9-0.66 वर्तमान ट्रांसफार्मर

चीनी निर्माता कॉमविल से उच्च गुणवत्ता वाला LMZW9-0.66 करंट ट्रांसफार्मर खरीदें। यह ट्रांसफार्मर विशेष रूप से 0.66kV और उससे कम रेटिंग वाले 50Hz AC सर्किट के लिए डिज़ाइन किया गया है, जो औद्योगिक और भवन बिजली वितरण क्षेत्रों में सटीक वर्तमान निगरानी और ऊर्जा मीटरिंग के लिए महत्वपूर्ण आवश्यकताओं को पूरा करता है। एक असंतृप्त राल कास्टिंग प्रक्रिया का उपयोग करते हुए, इकाई में उत्कृष्ट नमी प्रतिरोध और थर्मल स्थिरता के साथ एक मजबूत संरचना होती है, जो अपने पूरे जीवनचक्र में रखरखाव लागत को प्रभावी ढंग से कम करती है।
चीन में बिजली उपकरणों के एक पेशेवर निर्माता के रूप में, कॉमविल LMZW9-0.66 वर्तमान ट्रांसफार्मर के स्थिर और विश्वसनीय प्रदर्शन को सुनिश्चित करते हुए, IEC 61869 मानक का सख्ती से पालन करता है। इसका फिक्स्ड-माउंट डिज़ाइन ऑन-साइट वायरिंग को सरल बनाता है, जिससे विभिन्न कम-वोल्टेज बिजली वितरण प्रणालियों में निर्बाध एकीकरण की अनुमति मिलती है - चाहे उन्नयन के लिए या नई निर्माण परियोजनाओं के लिए।

LMZW-0.66 वर्तमान ट्रांसफार्मर का तकनीकी पैरामीटर:

रेटेड आवृत्ति 50/60हर्ट्ज़
रेटेड वोल्टेज 0.6kV या 0.66 kV
उपकरण के लिए उच्चतम वोल्टेज 0.72kV
पावर फ्रीक्वेंसी वोल्टेज का सामना करती है 3kV
तकनीकी मानक के अनुरूप है IEC60044-1:2003 या IEEE STD C57.13-2008
प्रकार रेटेड प्राथमिक धारा(ए) रेटेड आउटपुट VA(cosФ=0.8lag)
0.2एस 0.2 0.5एस 0.5 1
एलएमजेड-0.66 75-100 10-3.75 10-3.75 10-3.75 10-3.7510-3.75 10-3.75
एलएमजेड-0.66 150-300 10-3.75 10-3.75 10-3.75 10-3.75 10-3.75
एलएमजेड-0.66 400-750 10-3.75 10-3.75 10-3.75 10-3.75 10-3.75
एलएमजेड-0.66 1000-1500 10-3.75 10-3.75 10-3.75 10-3.75 10-3.75


उत्पाद की विशेषताएँ

1. स्थिर प्रदर्शन

कॉमविल फैक्ट्री का LMZW9-0.66 करंट ट्रांसफार्मर IEC 61869, IEC60044-1 और IEEE C57.13 मानकों के अनुरूप है।

प्राथमिक धाराओं की एक विस्तृत श्रृंखला में सटीक वर्तमान माप (75-1500ए)

10-3.75 वीए (cosφ=0.8 लैग) का रेटेड आउटपुट मीटरिंग और सुरक्षा के लिए लगातार सिग्नल सुनिश्चित करता है


2. फिक्स्ड-माउंट इंडोर डिज़ाइन

लो-वोल्टेज स्विचगियर और पैनल में वायरिंग और एकीकरण को सरल बनाता है

स्थापना त्रुटियों और रखरखाव आवश्यकताओं को कम करता है

कॉम्पैक्ट डिज़ाइन पैनल स्थान का अधिकतम उपयोग करता है


3. वाइड ऑपरेशनल रेंज

ऑपरेटिंग तापमान: -25℃ से +55℃

सापेक्ष आर्द्रता: ≤90%, कोई संक्षेपण नहीं

ऊंचाई: समुद्र तल से ≤1000 मीटर ऊपर

प्रदूषण-मुक्त, धूल-मुक्त, और संक्षारक गैस-मुक्त इनडोर वातावरण


4. उच्च सुरक्षा एवं अनुपालन

बिजली आवृत्ति वोल्टेज का सामना करती है: 3kV

रेटेड वोल्टेज: 0.6–0.66kV, अधिकतम उपकरण वोल्टेज 0.72kV के साथ

कम वोल्टेज वितरण नेटवर्क में दीर्घकालिक सुरक्षित संचालन के लिए डिज़ाइन किया गया


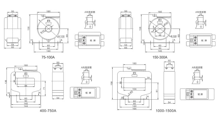
रूपरेखा एवं स्थापना आयाम

वेलकम (वानजाउ) इलेक्ट्रिक कंपनी लिमिटेड


अक्सर पूछे जाने वाले प्रश्न


Q1: क्या आप एक फ़ैक्टरी या ट्रेडिंग कंपनी हैं?

A1: हम एक फैक्ट्री हैं, जो हमें सीधे बहुत प्रतिस्पर्धी कीमतों की पेशकश करने की अनुमति देती है।


Q2: आपकी गुणवत्ता नियंत्रण प्रक्रिया क्या है?

A2: हम सुनिश्चित करते हैं कि शिपमेंट से पहले सभी उत्पादों का 100% निरीक्षण किया जाए।


Q3: मैं मूल्य उद्धरण कब प्राप्त करने की उम्मीद कर सकता हूं?

उ3: हम आम तौर पर आपकी पूछताछ प्राप्त होने के 24 घंटे के भीतर उद्धरण प्रदान करते हैं।


Q4: मैं एक नमूना कैसे प्राप्त कर सकता हूँ?

A4: आप एक नमूना खरीद सकते हैं, जिसमें नमूना लागत और शिपिंग शुल्क शामिल होंगे। एक्सप्रेस डिलीवरी शुल्क नमूनों की मात्रा और वजन पर निर्भर करता है।


Q5: शिपिंग लागत क्या हैं?

A5: गंतव्य बंदरगाह के आधार पर शिपिंग लागत अलग-अलग होती है।


हॉट टैग: LMZW9-0.66 वर्तमान ट्रांसफार्मर, चीन, निर्माता, आपूर्तिकर्ता, फैक्टरी, थोक, अनुकूलित, स्टॉक में, चीन में निर्मित, कम कीमत, गुणवत्ता
जांच भेजें
संपर्क सूचना
  • पता

    No.777 वानवेंग रोड, वेंगयांग उप-जिला, यूकिंग शहर, वानजाउ शहर, झेजियांग प्रांत, चीन

  • टेलीफोन

    +86-15224149953

  • ईमेल

    hannah@comewill.com

स्विचगियर, वैक्यूम सर्किट ब्रेकर, करंट ट्रांसफार्मर के लिए कॉमविल को जांच भेजें। हमारी चीन फ़ैक्टरी टीम से अनुकूलित उद्धरण, कम कीमत या विशेषज्ञ सहायता प्राप्त करें।
X
हम आपको बेहतर ब्राउज़िंग अनुभव प्रदान करने, साइट ट्रैफ़िक का विश्लेषण करने और सामग्री को वैयक्तिकृत करने के लिए कुकीज़ का उपयोग करते हैं। इस साइट का उपयोग करके, आप कुकीज़ के हमारे उपयोग से सहमत हैं। गोपनीयता नीति
अस्वीकार करना स्वीकार करना